铝合金放空阻火器尺寸结构和使用说明
铝合金放空型阻火器
铝合金放空阻火器外壳优质铝合金浇铸经切削加工成形,采用O型圈密封,便于维修保养时对阻火芯的清洗、装卸、结构合理、重量轻的特点,非常合适于中、小型油罐的使用。阻火器由芯件和壳体两部份组成,芯件是核心,是由两层超薄的不锈钢带,一条被压成波N形,另一条平面钢带则将它围绕圆心紧紧缠绕而成。阻火器采用不锈钢“N”形、双层波纹带为阻火芯件,壳体材料为铝合金。阻火器介质从三角形狭道中通过,阻火器也正是通过它来阻止火焰在管道中的蔓延,其原理为“器壁效应”,就是火焰与器壁的碰撞进行能量转换,降低了温度。以此原理来设计三角形孔的高度阻止火焰的通过,再加上足够的流道长度来吸收火焰的热量,使其在芯件中熄灭,避免了气体在芯件的另一端被复燃的可能性。
产品名称:铝合金放空阻火器
产品型号:SCZ50-6
适用范围:柴油、汽油、煤气、天然气
阀体材质:铝合金
阻火芯材质:不锈钢波纹板
规格:DN50-250
铝合金放空阻火器标准:法兰标准:GB、HG、SH、HGJ、JB、ANSL、JIS等标准。(用户指定,请注明压力等级)执行标准:GB13347-92
《石油气体管道阻火器阻火性能和试验方法》、SH/T3413-99《石油化工石油气管道阻火器选用、检验及验收》、HG/T20570.19-95《阻火器
的设置》。阻火器生产、检验和验收标准:SY/T0512-1996《石油储罐阻器》、测试依据:GB5908-86《石油储罐阻火器性能和实验方法》。
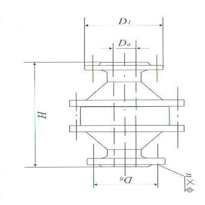
铝合金放空阻火器尺寸与结构示意图:
|
规格(DN) |
D1 |
Do |
H |
N |
孔径 |
|
50 |
140 |
110 |
175 |
4 |
Φ14 |
|
80 |
185 |
150 |
215 |
4 |
Φ14 |
|
100 |
205 |
170 |
220 |
4 |
Φ18 |
|
150 |
260 |
225 |
240 |
8 |
Φ18 |
|
200 |
315 |
280 |
260 |
8 |
Φ18 |
铝合金放空型阻火器结构图
铝合金放空阻火器技术参数:
1、壳体材质铝合金,尺寸按照PN0.6法兰规定的标准来执行。
2、在精铸制造过程中,壳体铸件不存在损害、裂纹、砂眼等问题。
3、壳体制作过程中,每件产品都进行水压的试验,待到合格后方可使用。
4、波纹结构的阻火芯使用304不锈钢钢带来加工制作。
5、阻火芯层上的孔隙大小完全一致且均匀分布,保持无堵塞。
6、装入壳体内部的阻火芯紧密结合,在完成组装之后,我们还需要按规定进行阻火性的测试
铝合金放空阻火器主要性能:
1、阻爆性能合格,连续13次阻爆性能试验每次均能阻火。
2、耐烧性能合格,耐烧试验1小时无回火现象。
3、壳体水压试验合格。本产品结构合理,重量轻、耐腐蚀。易检修,安装方便
铝合金放空阻火器安装与维护:
1、 每隔半年应检查一次。检查阻火层是否有堵塞、变形或腐蚀等缺陷。
2、 阻火器上的流向标记必须与介质流向一致。
3、 重新安装阻火层时,应更新垫片并确认密封面已清洁和无损伤,不得漏气。
4、 被堵塞的阻火层应清洗干净,保证每个孔眼畅通,对于变形或腐蚀的阻火层应更换。
5、 清洗阻火器芯件时,应采用高压蒸汽、非腐蚀性溶剂或压缩空气吹扫,不得采用锋利的硬件刷洗。
- 上一篇:阀门的安装规范,阀门安装应注意的问题 2017/1/6
- 下一篇:卫生级外螺纹视镜用途、结构和使用方法 2017/1/3
