加油站阻火透气帽的用途,加油站阻火透气帽制造标准
加油站阻火透气帽
阻火透气帽是加油站,小型油罐透气必不可少的配套设备。当油罐油料膨胀或进油时,即通过阻火波纹板向外透气。当油罐向外放油时,
即向油罐吸入空气,并阻止一切火源从此通过,确保安全。阻火透气帽是用来阻止易燃气体、液体的火焰蔓延和防止回火而引起爆炸的
安全装置.通常在输送或排放易燃易爆气体的储罐和管线上防火罩透气帽是石油产品在储存中必不可少的安全配件,广泛应用于石油产品的
储存和运作流程中气体排空滤心采用不锈钢冷薄板压制均匀波纹组成.耐腐蚀,能满足石油储存透气的需要。阻火透气帽顶帽采用耐火铝板,
壳体为不锈钢.阻火芯有不锈钢通常采用波纹板和铝波纹板,符合CB-5908-2005技术要求,油罐料膨胀或进油时,就通过阻火芯波纹板向外
排气,油罐内向外放油时又向罐内吸气,阻止和杜绝一切火源从此通过,确保油罐安全。
我司综合和引进英国、德国等公司的先进技术,配之先进的加工设备和完善的检测装置,所生产的透气帽,阻火透气帽,防火罩透气帽,具有结构
紧凑、可靠性高,阻火芯件防爆、防腐、阻火性能强、便于清洗等优点,特别适合于氢气、氮气、氧气、液化气等特殊介质。
加油站阻火透气帽工作原理:阻火透气帽是由能够通过气体的许多细小、均匀或不均匀的通道或孔隙的固体材质所组成,对这些通道或孔隙
要求尽量的小,小到只要能够通过火焰就可以。这样,火焰进入阻火器后就分成许多细小的火焰流被熄灭。火焰能够被熄灭的机理是传热
作用和器壁效应。
技术参数标准:
|
阀体: |
不锈钢、铸钢、铝合金 |
|
操作压力: |
1.6MPa |
|
阻火性能: |
连续十三次以上 |
|
耐烧性能: |
连续燃烧无回火 |
|
连接方式: |
螺纹、法兰 |
|
阻火芯件: |
不锈钢防爆阻火波纹板。 |
|
防爆等级: |
BS 5501; IIA,IIB,IIC |
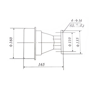
加油站阻火透气帽结构图及尺寸:


加油站阻火透气帽标准:执行标准:GB13347-92《石油气体管道阻火器阻火性能和试验方法》、SH/T3413-99《石油化工石油气管道阻火器
选用、检验及验收》、HG/T20570.19-95《阻火器的设置》。阻火器生产、检验和验收标准:SY/T0512-1996《石油储罐阻火器》、测试依据:
GB5908-86《石油储罐阻火器性能和实验方法》。
加油站阻火透气帽维修与保养:
用户应经常对透气帽内的阻火波纹板的透气性进行检查,确保透气帽良好的阻火、透气性能.检修时将透气帽上盖螺丝拧开,并松开固定阻火芯的螺钉,
取出阻火芯,检查阻火芯是否堵塞、变形或锈蚀,应即时清洗或换阻火芯,每月检查两次。
- 上一篇:储罐上的呼吸阀该如何正确使用和选用 2016/7/11
- 下一篇:介绍阻火器的主要类型及如何正确选用阻火器 2016/7/10
